תקלה בטיסה בצפע 514

עריכת מקור: אבינעם מיסניקוב

פרטי המסוק:

דגם: AH-1E יואי קוברה

יצרן: בל, פורט וורת', טקסס, ארה"ב

מספר יצרן:

צילום: אופיר הראל

תיאור האירוע:

ביום 28 ביולי 1993 טס מסוק צפע 514 של טייסת 160 באיזור הר חמרן שבנגב, כשלפתע כשלה המשאבה ההידראולית של מערכת הידראולית מס' 1 במסוק, נדלקה בלוח המכשירים מנורת אזהרה HYD 1 וה-SCAS   (Stability and Control Augmentation System מערכת בקרת היגוי ויציבות) התנתקה.

הצוות התארגן לנחיתת אונס, אך תוך כדי הקטנת המהירות לקראת הנחיתה הרגיש הטייס בהיגוי קשה במישור העלרוד. הטייס הגביר מהירות, הלך סביב , ביצע בדיקות חירום להידראוליקה וחזר לנחיתה בבסיס רמון.

במהלך הגישה לנחיתה הטייס הוריד מהירות לבדיקה אך ההגאים נשארו קשים. לקראת הפיינל לנחיתה התקלה חלפה, וההגאים חזרו לתפקד. הטייס הצמיד SCAS    ונחת בשלום.

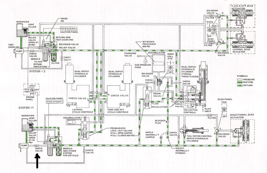
בבדיקת המסוק התגלה כי שסתום חד כיווני בקו מחזיר של מערכת ההידראולית מס' 1 הורכב הפוך. כתוצאה מכך נמנעה פריקת עודף לחץ במערכת, דבר שגרם לשחיקת המשאבה ההידראולית. התקלה חלפה בפיינל היות ועודף לחץ השמן נפרק דרך שסתום עוקף הנמצא במערכת.

שרטוט סכמטי של המערכות ההידראוליות בצפע. השסתום שהורכב הפוך מסומן בחץ.

שתפו את המאמר

מנוי
Notify of
guest
0 Comments
Oldest
Newest Most Voted
Inline Feedbacks
צפה בכל התגובות
0
Would love your thoughts, please comment.x